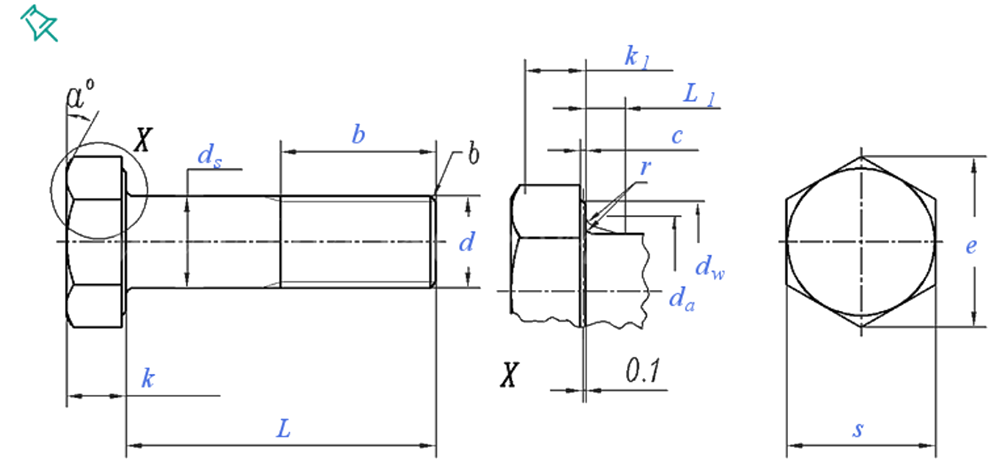
Harici altıgen vidalar ve cıvatalar, endüstriyel uygulamalarda yüksek tork iletimi ve mekanik stabilite sağlamak üzere tasarlanmış altı taraflı kafa tasarımı için tanınan temel bağlantı elemanlarıdır. Karbon çeliğinden (8.8, 10.9 veya 12.9 sınıfı) veya özel alaşımlardan üretilen bu bağlantı elemanları, çeşitli yük taşıma gereksinimlerini karşılamak için 12mm ila 500mm uzanan uzunluklarla minyatür M1.6 ipliklerden ağır hizmet tipi M64 çaplarına kadar değişir. Harici altıgen kafası, kilitli alanlarda güvenli sıkılaştırma sağlayarak anahtar veya soket katılımına izin verir - makine çerçeveleri, yapısal çelik eklemler veya titreşim direncinin en önemli olduğu otomotiv bileşenlerini monte etmek için kritik.
Dış ortamlarda (örneğin, köprüler, şanzıman kuleleri) sıcak daldırma galvanizli savaş pası gibi yüzey tedavileri, siyah oksit kaplamalar hassas optik veya askeri donanımda ışık yansımasını azaltır. PTFE veya elektroforetik boya gibi özel yüzeyler, kimyasal işleme tesislerinde veya deniz ekipmanlarında kullanım için kimyasal direnci arttırır. Özel renk kodlama (mavi, kırmızı) envanter yönetimine veya güvenlik protokollerine, yük derecelendirmelerini veya malzeme notlarını yerinde ayırt eder. Standart iplik toleransları ve gerilme mukavemetleri ile bu cıvatalar, yenilenebilir enerjiden ağır üretime kadar değişen endüstriler için maliyet verimliliğini dengeleyerek ISO ve ASTM spesifikasyonlarını karşılıyor. Malzeme, kaplama ve boyutlandırma konusundaki uyarlanabilirlikleri, dayanıklılık, kurulum kolaylığı ve titiz mekanik standartlara uyumu önceliklendiren mühendisler için evrensel bir çözüm haline getirir.


























